Welcome to your GRADE 12 PHYSICS MODEL EXAMINATIONS 2015
DIRECTIONS: Each of the following questions is followed by four possible alternatives. Read each question and carefully blacken the letter of your best choice on the separate answer sheet provided You may refer to the information given below when you work on some of the questions

1.
Which of the following type of errors is corrected differently?
2.
How many significant figures should be written in the product of 0.00307m x 60.00m?
3.
The vectors of different magnitude acting in opposite directions are known as:
4.
C is a vector which when added to the resultant of vectors i - 2j - 3k and -3i + j + 5k yields a unit vector along the z-axis? Then vector C is:
5.
If Aโ
B = (1/2)|A||B|, what is the angle between A and B?
6.
Which one of the following situations is impossible?
7.
The displacement of a body from a reference point is given by โx = 2t + 5, where x is in meters and t is in seconds. This shows that the body is:
Where x is in meters and t is in seconds. This shows that the body is:
8.
A brick is thrown upward from the top of a building at an angle of 30ยฐ to the horizontal and with an initial speed of 20 m/s. If the brick is in flight for 3 s, how tall is the building?
9.
A stone is tied to a 0.5 m string and whirled at a constant speed of 3.0 m/s in a vertical circle. Its acceleration at the top of the circle is:
10.
Three blocks (A, B, C), each having mass m, are connected by strings as shown in figure below. Block C is pulled to the right by a force Fฬ
โ of magnitude 75 N that causes the entire system to accelerate. Neglecting friction, the net force acting on the block B is:
11.
A large wedge with a mass of 10 kg rests on a horizontal frictionless surface, as shown fig 1. A block with a mass of 5 kg starts from rest and slides down the inclined surface of the wedge, which is rough. At one instant the vertical component of the blockโs velocity is 3.0 m/s and the horizontal component is 4 m/s. at that instant the velocity of the wedge is:
12.
A 500 kg rocket is set for vertical firing. If the exhaust speed is 1000 m/s, the mass of the gas ejected per second to supply the trust needed to overcome the weight of rocket is:
13.
A 500 g pendulum bob is held at an angle ๐ from the vertical by a 5 N horizontal force F as shown Fig-3. The tension in the string supporting the pendulum bob is:
14.
A woman pushes a 90 N crate a distance of 4 m upward along a frictionless slope that makes an angle of 30ห with the horizontal. Her force is parallel to the slope. If the speed of the crate decreases at a rate of 2 m/sยฒ, then the work done by the woman is:
15.
A mechanic pushes a 2000๐๐ car from rest to a speed of v, doing 4000 J of work in the process. During this time, the car moves 25.0 m. Neglecting friction between car and road, The speed v is:
16.
A 48 kg girl rides her 0.4 kg skateboard. She starts from rest and at a constant acceleration reaches 3 m/s in 10 s on a horizontal surface. How much power did she use?
17.
A mass is whirled in a circular path with constant angular velocity and its angular momentum is L=20 kgmยฒ/s. If length of the string is now halved keeping the angular velocity the same, the angular momentum is:
18.
A wheel has a speed of 1200 rpm and it is made to slow down at a uniform rate of 4 rad/sยฒ. The number of revolution it makes before coming to rest is:
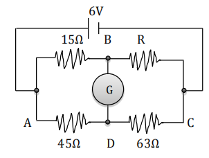
19.
The Angular momentum of a particle moving in a circular orbit with a constant speed remains conserved about:
20.
Multiple forces are exerted on the ends of a 200๐ uniform rod of length ๐ = 2๐ as shown in the figure. The net torque on the rod about an axis through P (left end) perpendicular to the page is:
21.
The pulleys and strings shown in the figure are smooth and of negligible mass. For the system to remain in equilibrium, the angle ๐ should be
22.
A solid sphere of radius 20๐๐ is subjected to a uniform pressure of 10โถNmโยฒ. If the bulk modulus of the solid is1.7 ร 10ยนยนNmโยฒ, the decrease in the volume of the solid is equal to:
23.
A block of wood floats in a liquid with four-fifths of its volume submerged. If the relative velocity of wood is 0.8, what is the density of the liquid kg/mยณ?
24.
The height to which a liquid rises or falls in a capillary tube is directly proportional to:
25.
Bernoulliโs equation is an expression of
26.
The dimensions of the coefficient of thermal conductivity are:
27.
When a vapor condenses to a liquid,
28.
During an adiabatic process, an object does 90 J of work and its temperature decreases by 3 K. During another process, it does 30 J of work and its temperature decreases by 3 K. Its heat capacity for second process is
29.
As an ideal gas is adiabatically expanding,
30.
On a warm day, a pool of water transfers energy to the air as heat and freezes. This is a direct violation of the:
31.
The position of a particle moving with SHM is given by an expression x = A sin(ฯt + ๐) where A is the amplitude of the oscillation, t is time, ฯ is angular frequency, and ๐ is the phase constant. If ๐ = ฯ/2 what will the sign of the particleโs position and velocity at t = 7T/8 where T is time period of the oscillations?
32.
When a wave travels in a medium, the particle displacements are given by y = ๐ sin 2ฯ(๐t โ ๐x) where a, b and c are constants. The maximum particle velocity will be four times the wave velocity if:
33.
If the sound level is increased by 10dB the intensity increases by a factor of:
34.
A light ray travels through three parallel slabs having different indices of refraction as shown in the figure. The rays shown are only the refracted rays. Which one is the correct order of the materials according to the size their indices of refraction, from largest to smallest?
35.
In Youngโs double-slit experiment, light rays from the two slits that reach the second maximum on one side of the central maximum travel distances that differ by:
36.
Two point charges are placed 6๐๐ from each other as shown in the figure. What will be the net electrostatic force exerted on the 3ยต๐ถ charge if a 1ยต๐ถcharge is placed at the mid-point between the two charges?
37.
Points R and T are each a distance ๐ = 9๐๐ from each of the two particles with charges of equal magnitudes (|๐| = 10๐๐ถ) and opposite signs as shown in the figure. The work required to move a particle with a ๐ = โ2๐๐ถ from R to T is:
38.
A parallel-plate capacitor with a plate separation d has a capacitance ๐ถ๐ = 5 ยต๐น in the absence of a dielectric. A slab of dielectric material of dielectric constant k = 2 and thickness d/3 is then inserted between the plates as in shown in figure below. The capacitance of this partially filled capacitor is:
39.
A cell supplies a current of 1.5A through a 5ฮฉ resistor and a current of 0.5 A through a 25ฮฉ resistor. The internal resistance and emf of the cell are:
40.
The magnitude of the current and its direction in the 5ฮฉ resistor shown in figure below is?
41.
What is the value of resistance R if the Wheatstone bridge circuit shown below is balanced?
42.
A uniform magnetic field is directed into the page. A charged particle, moving in the plane of the page, follows a clockwise spiral of decreasing radius as shown. Which statement is correct about the charged particle?
43.
If a wire carrying current in the plane of this paper toward the bottom of the page experiences a magnetic force toward the left edge of the page, what will be the direction of the magnetic field causing this force?
44.
The four wire loops shown have edge lengths of L, 2L, or 3L. They will move with the same speed into a region of uniform magnetic field Bฬ
โ, directed out of the page. Rank them according to the maximum magnitude of the induced emf, greatest to least.
45.
An alternating voltage (in volts) varies with time t (in seconds) as V = 50 sin(30ฯt). The peak value of voltage, the rms value of the voltage and the frequency respectively are:
46.
What is the impedance of series RLC circuit at resonance?
47.
An alpha particle is:
48.
What happens to the strong nuclear force between quarks as the distance between them increases?
49.
What is particle X in the following nuclear reaction? โนโBe + โดโHe โ ยนยฒโC + x What is the name of ?
50.
What is the main source of energy of the sun?